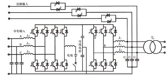
一、UPS
隨著計算機的應用和信息處理的飛速發展,現今,通信、信息交換、自控、交通控制、計算機醫療系統及防空雷達等部門都信息化辦公聯網了,計算機的應用無處不在,要確保計算機運行,預防實時傳輸信號及控制信號不出現bag,確保運行可靠,對供電電力的品質及穩定的標準越來越苛刻。
IGBT部分:
封裝 | 拓撲 | 650V | 1200V |
TO-247 | 單管\single | MG75H65TDH | MG25H120TDH |
MG30H135TDH | |||
MG40H120TDH | |||
MG40H120UDH | |||
MG40H120TD1H1 | |||
MA_34mm | 半橋\half-bridge | MG75MA65BTS1 | MG50MA120BTS1 |
MG100MA65BTS1 | MG75MA120BTS1 | ||
MG150MA65BTS1 | MG100MA120BTS1 | ||
MG200MA65BTS1 | MG150MA120BTS1 | ||
MG50MA120BTH1 | |||
MG75MA120BTH1 | |||
MG100MA120BTH1 | |||
MG150MA120BTH1 | |||
MB_62mm | 半橋\half-bridge | MG300MB65BTS1 | MG200MB120BTS1 |
MG400MB65BTS1 | MG300MB120BTS1 | ||
MG400MB120BTS1 | |||
MG300MB120BTH1 | |||
MG400MB120BTH1 | |||
MG450MB120BTH1 | |||
MN-EconoDUAL?3 | 半橋\half-bridge | MG450MN120BTS1 | |
MG600MN120BTS1 | |||
MG450MN120BTH1 | |||
MC-Easy 1B | 7單元\PIM | MG15MC120XTH1_4 | |
MC-Easy 2B | 7單元\PIM | MG40MK120XTH1_4 | |
ME-EconoPIM?2 | 7單元\PIM | MG50ME120XTS1_4 | |
MG40ME120XTH1_4 | |||
MG50ME120XTH1_4 | |||
MF-EconoPIM?3 | 7單元\PIM | MG50MF120XTS1_4 | |
MG75MF120XTS1_4 | |||
MG100MF120XTS1_4 | |||
MG150MF120XTS1_4 | |||
MG50MF120XTH1_4 | |||
MG75MF120XTH1_4 | |||
MG100MF120XTH1_4 | |||
MG150MF120XTH1_4 | |||
ME-EconoPACK2 | 三相全橋\3-Phases | MG50ME120FTS1_3 | |
MF-EconoPACK3 | 三相全橋\3-Phases | MG75ME120FTS1_3 | |
MG50ME120FTH1_3 | |||
MG75ME120FTH1_3 | |||
MG75MF120FTS1_3 | |||
MG100MF120FTS1_3 | |||
MG150MF120FTS1_3 | |||
MG200MF120FTS1_3 | |||
MG75MF120FTH1_3 | |||
MG100MF120FTH1_3 | |||
MG150MF120FTH1_3 | |||
MG200MF120FTH1_3 |
輔助電路部分:
名稱 | 參數范圍 |
整流橋 | 2A~35A,50V~1000V |
瞬態抑制二極管 | 400W~50KW,5.0V~550V |
普通整流二極管 | 0.2A~10A,50V~5000V |
快恢復二極管 | 0.2A~6A,50V~5000V |
超快恢復二極管 | 1A~6A,50V~1000V |
肖特基 | 0.25A~8A,20V~210V |
功率二極管 | 7A~30A,20V~150V |
穩壓二極管 | 1.8V~200V |
小信號開關二極管 | 20V~75V |
二、特種電源
例如:岸電電源、變頻電源、直流電源、測試電源。
岸電電源:是專門針對船上、岸邊碼頭等高溫、高濕、高腐蝕性、大負荷沖擊等惡劣使用環境而特別設計制造的大功率變頻電源設備。廣泛應用于船上、船舶制造及修理廠、遠洋鉆井平臺、岸邊碼頭等需要由50Hz工業用電變為60Hz高質量穩頻穩壓電源,對船舶用電設備進行供電的場合。
IGBT部分:
封裝 | 拓撲 | 650V | 1200V | 1700V |
MA_34mm | 半橋\half-bridge | MG75MA65BTS1 | MG50MA120BTS1 | MG100MA170BTH1 |
MG100MA65BTS1 | MG75MA120BTS1 | |||
MG150MA65BTS1 | MG100MA120BTS1 | |||
MG200MA65BTS1 | MG150MA120BTS1 | |||
MG50MA120BTH1 | ||||
MG75MA120BTH1 | ||||
MG100MA120BTH1 | ||||
MG150MA120BTH1 | ||||
MB_62mm | 半橋\half-bridge | MG300MB65BTS1 | MG200MB120BTS1 | MG200MB170BTH1 |
MG400MB65BTS1 | MG300MB120BTS1 | |||
MG400MB120BTS1 | ||||
MG300MB120BTH1 | ||||
MG400MB120BTH1 | ||||
MG450MB120BTH1 | ||||
MN-EconoDUAL?3 | 半橋\half-bridge | MG450MN120BTS1 | MG300MN170BTH1 | |
MG600MN120BTS1 | ||||
MG450MN120BTH1 | ||||
MC-Easy 1B | 7單元\PIM | MG15MC120XTH1_4 | ||
MC-Easy 2B | 7單元\PIM | MG40MK120XTH1_4 | ||
ME-EconoPIM?2 | 7單元\PIM | MG50ME120XTS1_4 | ||
MG40ME120XTH1_4 | ||||
MG50ME120XTH1_4 | ||||
MF-EconoPIM?3 | 7單元\PIM | MG50MF120XTS1_4 | ||
MG75MF120XTS1_4 | ||||
MG100MF120XTS1_4 | ||||
MG150MF120XTS1_4 | ||||
MG50MF120XTH1_4 | ||||
MG75MF120XTH1_4 | ||||
MG100MF120XTH1_4 | ||||
MG150MF120XTH1_4 | ||||
ME-EconoPACK2 | 三相全橋\3-Phases | MG50ME120FTS1_3 | ||
MF-EconoPACK3 | 三相全橋\3-Phases | MG75ME120FTS1_3 | MG100MF170BTH1 | |
MG50ME120FTH1_3 | ||||
MG75ME120FTH1_3 | ||||
MG75MF120FTS1_3 | ||||
MG100MF120FTS1_3 | ||||
MG150MF120FTS1_3 | ||||
MG200MF120FTS1_3 | ||||
MG75MF120FTH1_3 | ||||
MG100MF120FTH1_3 | ||||
MG150MF120FTH1_3 | ||||
MG200MF120FTH1_3 |
輔助電路部分:
名稱 | 參數范圍 |
整流橋 | 2A~35A,50V~1000V |
瞬態抑制二極管 | 400W~50KW,5.0V~550V |
普通整流二極管 | 0.2A~10A,50V~5000V |
快恢復二極管 | 0.2A~6A,50V~5000V |
超快恢復二極管 | 1A~6A,50V~1000V |
肖特基 | 0.25A~8A,20V~210V |
功率二極管 | 7A~30A,20V~150V |
穩壓二極管 | 1.8V~200V |
小信號開關二極管 | 20V~75V |